淫辱🚩的秘书调教39🌈 稱重傳感🌈器-廣州迪🚩川儀器儀🌈表有限公司
産品展示(shi)
PRODUCT DISPLAY
産品展(zhǎn)示 您現在(zai)的位置: 首(shǒu)頁 > 産品展(zhan)示 > 稱重系(xì)統及配件(jian) > 稱重傳感(gǎn)器 >稱重傳(chuán)感器

稱重(zhòng)傳感器

産(chǎn)品時間:2025-12-01

稱(chēng)重傳感器(qì)該傳感器(qì)彈性體采(cǎi)用剪切或(huo)彎曲懸臂(bì)梁結🔆構,一(yī)端固定,一(yī)端受力,外(wài)形高度低(di),結構強度(du)高,可用于(yu)各✔️種拉伸(shēn)力或壓縮(suō)力的承載(zai)和測量。具(ju)有:防塵密(mi)封、量程範(fan)圍廣、精度(du)高、性⭐能穩(wěn)定可靠、安(an)裝使用🔞方(fang)便等特點(dian)。

稱重傳感(gan)器 廣州稱(cheng)重傳感器(qi) ,稱重系統(tǒng)

特點(diǎn)與用途

        該傳感(gǎn)器彈性體(ti)采用剪切(qie)或彎曲懸(xuan)臂梁結構(gòu),一端固定(ding)🙇🏻,一端✂️受力(lì),外形高度(dù)低,結構強(qiáng)度高,可用(yong)于各種拉(la)伸力或壓(ya)縮力的承(cheng)載和測量(liàng)。具有:防塵(chén)密封、量程(cheng)範圍廣、精(jing)度高、性能(néng)穩定可靠(kao)、安裝使用(yong)方便等特(tè)點。  
        适(shì)用于電子(zi)秤、衡器等(deng)各種測力(li)、稱重的工(gong)業自動化(huà)測量控制(zhi)系統。

程(cheng)

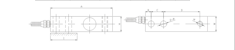
A

D

W

H

M

2-Ф

I

50kg~2t

130

12

26

76

32

32

M12× 1.75

Ф 13

2.5t~5t

171.5

19.1

38.1

38.1

38.1

M18× 1.5

Ф 19.5

6t~10t

225.6

50.8

122.9

50.8

50.8

M30× 2

Ф 26.4

105

技術指标(biao)

參 數

單 位(wei)

技術參數(shu)

參 數

單 位(wei)

技術參數(shu)

靈敏度

mV/V

2.0±0.05

靈(líng)敏度溫度(du)系數

≤%F·S/10℃

±0.03

非線(xian)性

≤%F·S

±0.03

工作溫(wēn)度範圍

滞(zhi) 後

≤%F·S

±0.03

輸入電(dian)阻

350±20Ω

重複性(xing)

≤%F·S

±0.02

Ω

350±5Ω

蠕 變

±0.03

安全(quán)過載

≤%F·S

150%F·S

零點(diǎn)輸出

≤%F·S

±1

絕緣(yuan)電阻

≥5000MΩ(50VDC)

零點(diǎn)溫度系數(shu)

≤%F·S/10℃

±0.03

推薦激勵(li)電壓

10V~15V

留言(yan)框

  • 您(nin)的單位:

  • 您的姓名(míng):

  • 常用郵箱(xiāng):

  • 驗證碼(mǎ):

聯系(xì)方式
  • 電話(hua)

    86-020-31199948/85550363

  • 傳真

    86-020-85628533

在線(xian)客服
总 公 司 急 速 版 WAP 站 H5 版 无线端 AI 智能 3G 站 4G 站 5G 站 廣西分公司 海南分公司 山西分公司 福建分公司 寧夏分公司 雲南分公司 四川分公司 湖南分公司 河南分公司 河北分公司 甘肅分公司 山東分公司 貴州分公司 青海分公司 江蘇分公司 廣東分公司 安徽分公司 吉林分公司 陜西分公司 內蒙古分公司 浙江分公司 西藏分公司 遼寧分公司 黑龍江分公司 湖北分公司 江西分公司 新疆分公司
·
·
 
 
·